사출 금형
자동차 사출 금형
헬스케어 사출 금형
가전제품 사출 금형
사무용품 사출 금형
스탬핑 금형
자동차 스탬핑 금형
헬스케어 스탬핑 금형
가전 스탬핑 금형
사무용품 스탬핑 금형
정밀부품
사출 금형 정밀 부품
스탬핑 금형 정밀 부품
다이캐스팅 금형 정밀 부품
산업제품 정밀부품
솔루션
연구개발 기술
생산설비
품질 증인
품질관리 관리
협력고객
GDM 소개
회사 프로필
자주하는 질문
다운로드
자격증
문의하기
소식
:
모두
상품명
키워드
제품 모델
제품 요약
제품 설명
전체 텍스트 검색
한국어
English
Français
Español
Deutsch
Italiano
日本語
ไทย
Türk dili
Česky
Pусский
:
모두
상품명
키워드
제품 모델
제품 요약
제품 설명
전체 텍스트 검색
사출 금형
자동차 사출 금형
헬스케어 사출 금형
가전제품 사출 금형
사무용품 사출 금형
스탬핑 금형
자동차 스탬핑 금형
헬스케어 스탬핑 금형
가전 스탬핑 금형
사무용품 스탬핑 금형
정밀부품
사출 금형 정밀 부품
스탬핑 금형 정밀 부품
다이캐스팅 금형 정밀 부품
산업제품 정밀부품
솔루션
연구개발 기술
생산설비
품질 증인
품질관리 관리
협력고객
GDM 소개
회사 프로필
자주하는 질문
다운로드
자격증
문의하기
소식
한국어
English
Français
Español
Deutsch
Italiano
日本語
한국어
ไทย
Türk dili
Česky
Pусский
현재 위치:
홈페이지
»
소식
회사 뉴스
고객사례
제품 뉴스
전시회 소식
스탬핑 다이 제조 및 공정 분석
2025-05-15
스탬핑 다이는 현대 제조에 없어서는 안될 것이며 자동차, 항공 우주 및 소비자 전자 제품과 같은 산업 전반에 걸쳐 정밀 부품을 생산하기위한 백본 역할을합니다. 업계 보고서에 따르면 자동차 제조 분야의 금속 부품의 60% 이상이 스탬핑 다이에 의존합니다.
주입 성형에서 효율적인 곰팡이 공동 분리를위한 용액
2024-03-21
사출 성형은 현대식 제조의 초석으로 수많은 산업에서 복잡한 플라스틱 부품의 대량 생산을 가능하게합니다. 그러나 성형 부품이 방출되는 중요한 단계 인 금형 공동의 부드럽고 효율적인 분리를 달성하는 것은 중요한 도전이 될 수 있습니다. 이 기사는 금형 공동 분리 솔루션의 세계에 깊이 빠져 들어 Zhuhai Gree Daikin Precision Mold (GDM)와 같은 업계 리더들이 사용하는 모범 사례와 혁신적인 기술을 탐구합니다.
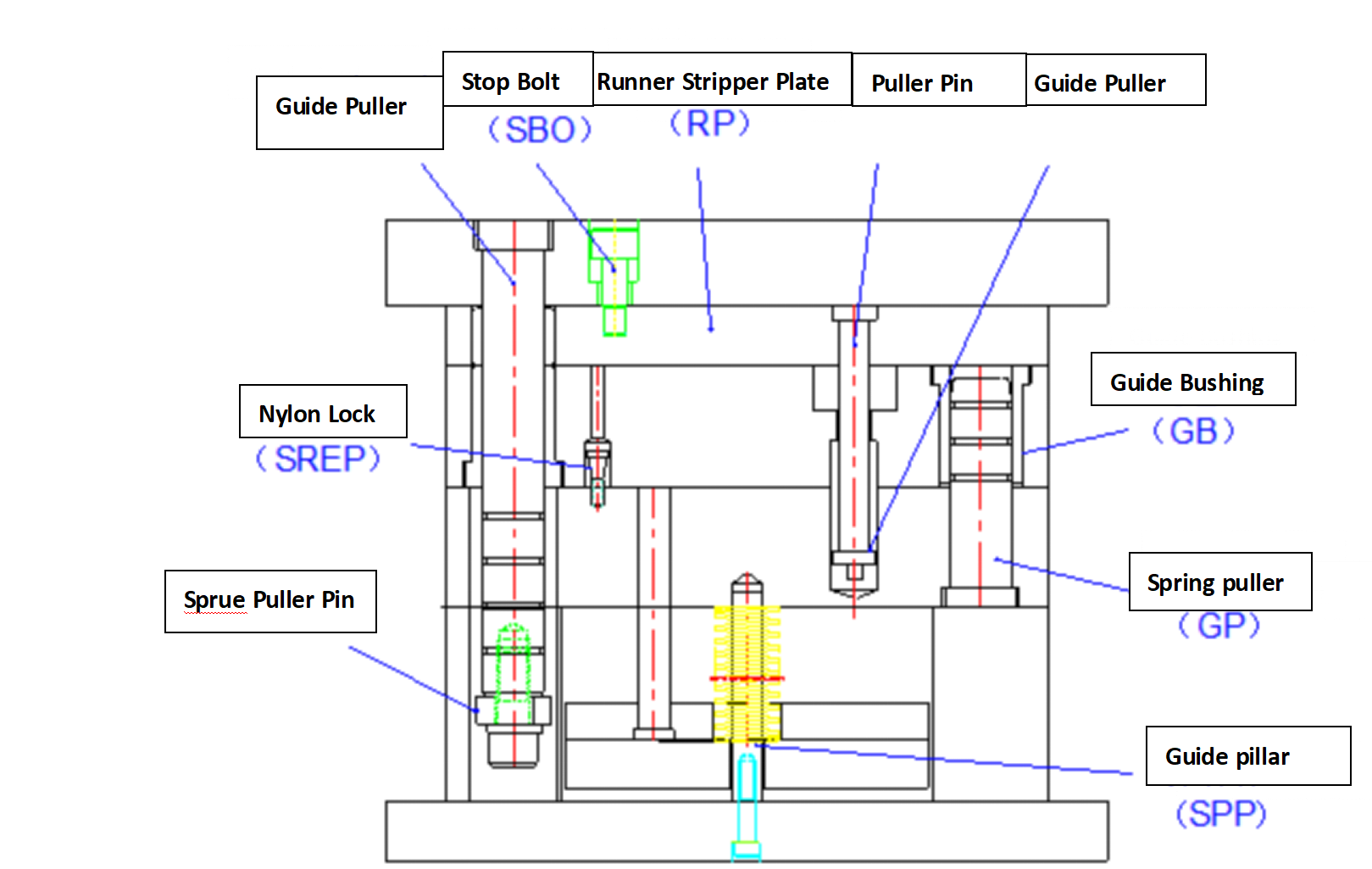
사출 금형의 구조
2026-02-13
사출 금형의 기본 구조는 고정 금형 절반과 이동 금형 절반의 두 가지 주요 부분으로 구성됩니다. 고정 절반은 사출 성형기의 고정 압반에 장착되고, 이동 절반은 이동 압반에 장착됩니다.사출 성형 공정 중에
스탬핑 다이의 자동 스크랩 처리
2026-02-05
자동 인몰드 전환을 달성하기 위해 관련 설계 방법과 구조 표준화를 요약했습니다. 설계 소프트웨어에서는 공장 모듈화를 구축하여 설계 효율성을 향상시켰습니다. 이는 후속 관련 관리에서 유사한 프로젝트의 기반을 마련할 것입니다.
사출 금형 설계의 두 가지 일반적인 실수
2026-01-29
1. 배기 채널 설계
에어컨 수직금형 최적화
2026-01-22
최근 몇 년 동안 고객은 고품질과 저비용 측면에서 점점 더 많은 요구를 하고 있습니다. 금형 제조업체는 지속적으로 기술을 혁신해야 하며, 특히 금형이 성공적으로 작동할 수 있도록 특수 제품의 금형 제작 공정을 기술적으로 수정하는 방법을 연구해야 합니다.
다이 클리어런스는 부품 품질에 매우 중요합니다.
2026-01-19
여유 공간의 크기와 그 분포가 균일한지 여부가 전단 모서리 품질, 치수 정확도, 블랭킹 힘 및 블랭킹 부품의 다이 수명에 직접적인 영향을 미친다는 것이 실무를 통해 입증되었습니다. 틈새 크기는 적절한 틈새, 과도한 틈새의 세 가지 조건으로 분류할 수 있습니다.
스탬핑 다이 피어싱 디자인
2026-01-14
스탬핑 다이 피어싱의 개념• 블랭킹은 다이를 사용하여 판금을 분리하는 스탬핑 공정으로 주로 블랭킹(부품 생산용)과 피어싱(구멍 생성용)을 포함합니다.• 판금에서 필요한 형상의 부품(또는 블랭크)을 전단하는 공정을 블랭킹이라고 하며,
판금의 재료 선택 원리
2026-01-12
1. 판금 부품의 재료 선택 판금은 통신 제품의 구조 설계에 가장 일반적으로 사용되는 재료 중 하나입니다. 재료의 포괄적인 특성을 이해하고 올바르게 선택하는 것은 제품 비용, 성능, 품질 및 수명에 큰 영향을 미칩니다.
금형 가공 기술의 연삭
2026-01-07
1. 연삭의 개념2. 연삭의 일반적인 도구 및 방법3. 일반적인 가공 장비 및 가공 정밀도4. 연삭 공정이 금형 및 다이에 미치는 영향
«
1
...
3
4
5
...
17
»
모두17페이지 입 니 다
쪽으로 갑 니 다.
확정 하 다
ZHUHAI GREE DAIKIN PRECISION MOLD CO., LTD.
전화: +86-756-8593099
이메일:
sales2@gd-mold.com
중국 광둥성 주하이시 샹저우구 진지로 688호.
빠른 링크
홈페이지
솔루션
GDM 소개
소식
문의하기
제품
사출 금형
스탬핑 금형
정밀부품
연락하십시오
제출하다
0756-8593099
sales2@gd-mold.com
+86-18636290228
+86-18023066609
+86-18636290228
저작권 © 2022 ZHUHAI GREE DAIKIN PRECISION MOLD CO., LTD.
개인 정보 정책
|
사이트맵
|지원 대상
leadong.com